



Industrial Hoists, Cranes, Crane Parts Manufacturer
Double Rail Type Main & Aux Hoist
Table
| Model | SA 5/3-M | SA 7.5/3-M | SA 10/5-M | SA 15/5-M | ||||||||||||||
| Capacity (ton) | 5/3 | 7.5/3 | 10/5 | 15/5 | ||||||||||||||
| 
 Hoist 
 | 
Max. lift(m) | 12 | ||||||||||||||||
| 
 Traversing 
 | 
High Speed | 4.7/5.6 | 7.5/9 | 3.1/3.8 | 7.5/9 | 3.7/4.5 | 4.7/5.6 | 3.7/4.5 | 4.7/5.6 | |||||||||
| Low Speed | 3.5/4.2 | 3.7/4.5 | 2.3/2.8 | 3.7/4.5 | 2.5/3 | 3.5/4.2 | 2.5/3 | 3.5/4.2 | ||||||||||
| 
 Hoisting Speed(m/min) 
High/Creep Speed  | 
50Hz | 5.5 x 6 | 5.5 x 4 | 5.5 x 6 | 5.5 x 4 | 9 x 8 | 5.5 x 6 | 13 x 8 | 5.5 x 6 | |||||||||
| 60Hz | 4.2 x 8 | 2.8 x 8 | 4.2 x 8 | 2.8 x 8 | 6 x 12 | 4.2 x 8 | 8.5 x 12 | 4.2 x 8 | ||||||||||
| 
 Wire Rope 
 | 
Construction | 6 x 37 | ||||||||||||||||
| Die(mm) x No.of Ropes | 12.5 x 4 | 12.5 x 2 | 14 x 4 | 12.5 x 2 | 16 x 4 | 16 x 2 | 20 x 4 | 16 x 2 | ||||||||||
| Brake | DC Magnet Disc Brake | |||||||||||||||||
| 
 Traversing 
 | 
 Traversing 
Speed (m/min)  | 
High Speed 50/60(Hz) | 20/24 | 12.5/15 | 12.5/15 | 12.5/15 | ||||||||||||
| Low Speed 50/60(Hz) | 13/16 | 8.3/10 | 8.3/10 | 8.3/10 | ||||||||||||||
| 
 Traversing 
Motor (Kw x P)  | 
High Speed | 0.75 x 4 | 0.75 x 4 | 0.75 x 4 | 1.5 x 4 | |||||||||||||
| Low Speed | 0.5 x 6 | 0.5 x 6 | 0.56 x 6 | 1 x 6 | ||||||||||||||
| Brake | DC Magnet Disc Brake | |||||||||||||||||
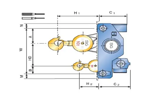
| 
 Dimensions 
(approx.)(mm)  | 
H1 | 510 | 730 | 775 | 995 | |||||||||||||
| H2 | 270 | 350 | 390 | 365 | ||||||||||||||
| R | 1150 | 1150 | 1150 | 1200 | ||||||||||||||
| HD | 485 | 570 | 600 | 645 | ||||||||||||||
| A | 370 | 420 | 460 | 425 | ||||||||||||||
| B | 365 | 390 | 400 | 450 | ||||||||||||||
| C1 | 550 | 550 | 695 | 860 | ||||||||||||||
| C2 | 845 | 725 | 905 | 930 | ||||||||||||||
| G | 935 | 925 | 975 | 1075 | ||||||||||||||
| K | 885 | 870 | 1060 | 1065 | ||||||||||||||
| W | 1220 | 1380 | 1460 | 1520 | ||||||||||||||
| D | 47 | 58 | 58 | 58 | ||||||||||||||
| L | 890 | 852 | 851 | 872 | ||||||||||||||
| M | 110 | 110 | 110 | 130 | ||||||||||||||
| N | 125 | 120 | 120 | 140 | ||||||||||||||
| P | 165 | 165 | 165 | 180 | ||||||||||||||
| Q | 190 | 195 | 195 | 210 | ||||||||||||||
| Weight (approx.) (kg) | 1285 | 1600 | 1830 | 2475 | ||||||||||||||
| Traversing Rail (kg/m) | 15 | 15 | 15 | 22 | ||||||||||||||
















