



소형 정밀모터 제조업체, 인덕션모터, 스피드컨트롤, 기어드모터
ㆍSpeed Control
ㆍTacho-Generator Type
■ PERFORMANCE DATA (DUTY : CONTINUOUS)
| Motor Type | Output (W) |
Voltage (V) |
Freq. (Hz) |
Speed Range (rpm) |
Rated Torque | Rated Current (A) |
Starting | Condenser | ||
|---|---|---|---|---|---|---|---|---|---|---|
| 1200rpm (kgf·cm) |
90rpm (kgf·cm) |
Torque (kgf·cm) |
(V) | (㎌) | ||||||
| IHT9PG90-10 | 90 | 1ø100 | 50 | 90~1400 | 4.14 | 1.55 | 1.80 | 4.20 | 250 | 25.0 |
| 60 | 90~1700 | 4.14 | 1.55 | 1.80 | 5.40 | |||||
| IHT9PG90-11 | 1ø110 | 60 | 90~1700 | 4.87 | 1.83 | 1.80 | 6.50 | 250 | 25.0 | |
| IHT9PG90-20 | 90 | 1ø200 | 50 | 90~1400 | 4.14 | 1.55 | 1.20 | 4.50 | 450 | 7.0 |
| 60 | 90~1700 | 4.14 | 1.55 | 1.20 | 5.50 | |||||
| IHT9PG90-22 | 1ø220 | 60 | 90~1700 | 4.87 | 1.83 | 1.20 | 6.80 | 450 | 7.0 | |
| IHT9PG90-1U | 90 | 1ø115 | 60 | 90~1700 | 4.87 | 1.83 | 1.80 | 6.00 | 250 | 20.0 |
| IHT9PG90-2C | 90 | 1ø220 | 50 | 90~1400 | 4.87 | 1.83 | 0.81 | 5.50 | 450 | 5.0 |
| 100 | 1ø240 | 50 | 90~1700 | 5.68 | 2.03 | 0.81 | 6.50 | |||
■ PERFORMANCE DATA (DUTY : 30 Min.)
| Motor Type | Output (W) |
Voltage (V) |
Freq. (Hz) |
Speed Range (rpm) |
Rated Torque | Rated Current (A) |
Starting | Condenser | ||
|---|---|---|---|---|---|---|---|---|---|---|
| 1200rpm (kgf·cm) |
90rpm (kgf·cm) |
Torque (kgf·cm) |
(V) | (㎌) | ||||||
| RHT9PG90-10 | 90 | 1ø100 | 50 | 90~1400 | 6.21 | 1.55 | 2.30 | 5.00 | 250 | 30.0 |
| 60 | 90~1700 | 6.21 | 1.55 | 2.30 | 5.00 | |||||
| RHT9PG90-11 | 1ø110 | 60 | 90~1700 | 7.30 | 1.83 | 2.30 | 6.00 | 250 | 30.0 | |
| RHT9PG90-20 | 90 | 1ø200 | 50 | 90~1400 | 6.21 | 1.55 | 1.30 | 6.00 | 450 | 7.0 |
| 60 | 90~1700 | 6.21 | 1.55 | 1.30 | 6.00 | |||||
| RHT9PG90-22 | 1ø220 | 60 | 90~1700 | 7.30 | 1.83 | 1.30 | 7.00 | 450 | 7.0 | |
| RHT9PG90-1U | 90 | 1ø115 | 60 | 90~1700 | 7.30 | 1.83 | 2.00 | 5.50 | 250 | 25.0 |
| RHT9PG90-2C | 90 | 1ø220 | 50 | 90~1400 | 7.30 | 1.83 | 0.97 | 5.70 | 450 | 6.0 |
| 100 | 1ø240 | 50 | 90~1700 | 8.11 | 2.03 | 0.97 | 7.00 | |||
- Motor Type은 감속기 직결용인 피니언축으로 표시하였습니다.
- STRAIGHT축의 모터를 희망하시면 Motor Type의 PG를 S로 바꾸어 주문하십시오.
- 표시한 모터는 UL 또는 CE규격을 적용한 TP(Thermal Protect) Type입니다
- 정격부하 보다 크거나 주위온도가 40℃이상의 조건에서는 온도상승이 급격히 되므로 연속사용이 불가능 합니다.
- 회전방향을 바꿀 때에는 반드시 전원을 차단한 후 정지된 상태에서 재결선 하시기 바랍니다.
■ MOTOR(STRAIGHT SHAFT) I(R)HT9S90 WT 3.7kg
■ GEARED MOTOR I(R)H9TPG90 + 9H□ GBB WT 3.7+1.5kg
■ BOLT SIZE
| TYPE | BOLT SIZE |
|---|---|
| 9H□ GB | M6×90 |
■ KEY SPEC
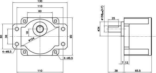
■ GEARED HEAD 9H□ GBF WT 1.5kg
■ BOLT SIZE
| TYPE | BOLT SIZE |
|---|---|
| 9H□ GBF | M6×25 |
■ KEY SPEC
■ DECIMAL GEAR HEAD 9H10XG WT 0.6kg
■ WIRING DIAGRAM
- 모터의 회전방향은 샤프트 끝쪽에서 볼때의 회전방향입니다.
- 모터의 회전방향 전환은 모터가 완전히 정지한 후 실시하여 주십시오.
















