최근 검색어
스페이스X에 납품되는
프랑스 와이어 벤딩기계
NUMALLIANCE
NETSOL
공식대리점
디씨티 코리아
자동온도 조절 솔루션
Since 1927
Vernet Group
추천 검색어
#ITT Canon 대리점
#와이어 벤딩기계
#GGB코리아 베어링
#온도 조절 카트리지
#열전 액추에이터
한국어
제조사 검색
대리점 검색
스토어
등록 서비스
기업 등록
대리점 등록
수출 서비스
코머신
고객지원
기업 등록
지금 보고 계신
제조사
에요
동주에이피(주)
공식 홈페이지
032-934-0036
문의하기
지금 보고 계신
제조사
에요
동주에이피(주)
홈
제조사 검색
동주에이피(주)
동주에이피(주)
산업용 밸브 제조업체, 밸브, 볼밸브, 버터플라이밸브, 자동밸브, 전동밸브, Actuator 등
공식 홈페이지
032-934-0036
공식 홈페이지
032-934-0036
비즈홈
제품/서비스
자료실
대리점 목록
모델 목록
정보 등록·수정 문의
전체
기업 자료
제품 자료
전체
(24)
제품 자료
Catalog-DONGJOO AP-Air-Plus Valve-APSA Series
동주에이피(주)
Air-Plus Valve
다운로드
제품 자료
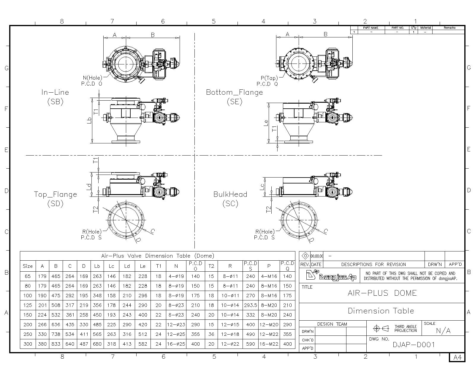
Drawing-DONGJOO AP-Air-Plus Valve-APSA Series
동주에이피(주)
Air-Plus Valve
다운로드
제품 자료
Catalog-DONGJOO AP-Dome Valve-APSB Series
동주에이피(주)
Dome Valve
다운로드
제품 자료
Drawing-DONGJOO AP-Dome Valve-APSB Series
동주에이피(주)
Dome Valve
다운로드
1
2
2/2
1
2
2/2
기업 기본 정보
인천광역시 강화군 강화읍 해안북로 105-20, (동주에이피(주))
http://dongjooap.com
032-934-0036
032-934-0037
dongjooap@dongjooap.com
-
설립일자
2004-01-24
업종
탭, 밸브 및 유사장치 제조업
운영여부
운영중
업데이트
2025-12-04