최근 검색어
스페이스X에 납품되는
프랑스 와이어 벤딩기계
NUMALLIANCE
NETSOL
공식대리점
디씨티 코리아
자동온도 조절 솔루션
Since 1927
Vernet Group
추천 검색어
#ITT Canon 대리점
#와이어 벤딩기계
#GGB코리아 베어링
#온도 조절 카트리지
#열전 액추에이터
한국어
제조사 검색
대리점 검색
스토어
등록 서비스
기업 등록
대리점 등록
수출 서비스
코머신
고객지원
기업 등록
지금 보고 계신 제품의
제조사
에요
디에스비엔지니어링(주)
공식 홈페이지
051-412-5937
문의하기
지금 보고 계신 제품의
제조사
에요
디에스비엔지니어링(주)
홈
제조사 검색
디에스비엔지니어링(주)
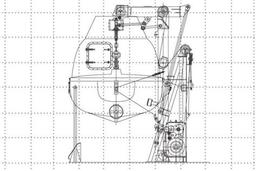
Steering Gear
Steering Gear
모델명
-
시리즈
-
자료
-
구매정보
디에스비엔지니어링(주)
구명정, 선박, 보트 제조 및 선박 부품, 다빗 생산 업체, 양묘기, 윈치 등
연락처
051-412-5937
이메일
-
상품정보에 문제가 있나요?
정보수정 / 삭제요청
코머신은 제품 판매자가 아닙니다.
법적고지 및 안내
제조사
디에스비엔지니어링(주)
[
바로가기
]
제품 타입
기계
브랜드
-
SKU
89922
제품명
Steering Gear
모델명
-
사이즈
-
중량
-
제품 상세 정보
이 기업의 다른 제품
바로가기
Gravity Luffing Arm type Davit
DSB60DL, DSB85DL, DSB138DL, DSB170DL
Free Fall Launching Appliance
DSB55DF, DSB70DF, DSB85DF, DSB100DF, DSB130DF, DSB185DF, DSB230DF, DSB235DF
Rescue boat / Raft Davit & Crane
DSB21DR, DSB23DR, DSB30DR, DSB35DR
Platform Type Davit
DSB85DP, DSB110DP, DSB138DP, DSB205DP
Hydraulic Gravity Type Davit
DSB150DYL
Partially Enclosed Lifeboats
DSB85P
Pivoting Luffing Gravity Davit
DSB65DTL
Freefall Lifeboats
Totally Enclosed Lifeboats
Rescue / Fast Rescue Boats
Cargo Winch
Electric Mooring Winch
Hydraulic Windrass
Watertight Door
15K Floating Crane
1
/
4
디에스비엔지니어링(주)
Biz Home
구명정, 선박, 보트 제조 및 선박 부품, 다빗 생산 업체, 양묘기, 윈치 등
문의하기