Various electronic control equipment manufacturer, UL transformer, UL trans, NCT, Reactor, SSR, TPR, SMPS, SPD, Noise filter and more
Model No | WYR-OC2DC WYR-OC3DC |
---|---|
TYPE | 3상4선식/OCR & OCGR 인출형(50/51x2, 50/51x3) |
Certification | cer |
Rating | AC1A AC5A |
Input | 110VAC~220VAC 110VDC~220VDC Free_Voltage |
Output | |
Capacity |
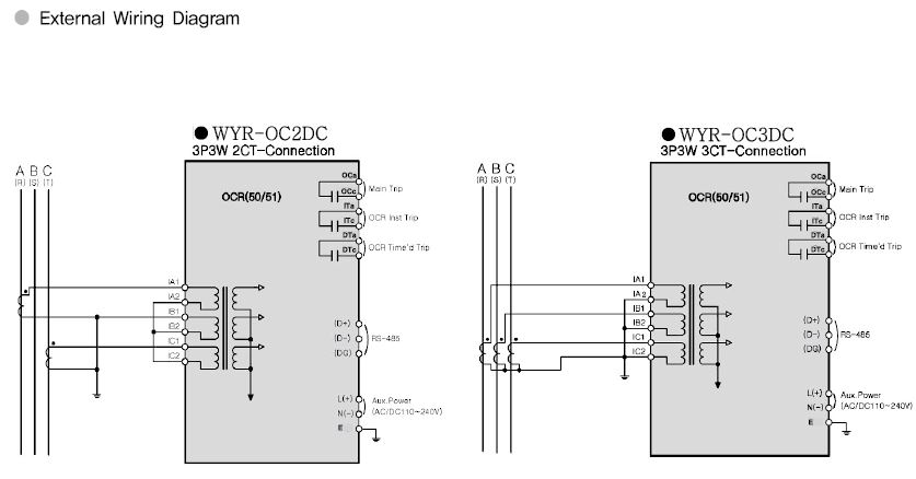
Specifications and Features
ㆍFault Memory : Operating Current, Operating Time
ㆍElement : OCR×2 or OCR×3
ㆍTime Curve IEC-255, KEPCO Standard
ㆍCommunication : RS-485 (Modbus Protocol)
ㆍAux. Power : AC/DC(110∼240V) Free Voltage